プレス機 Muller Weingarten VK 800 - 800 トン
仕様 (EN) -
プレス機 Muller Weingarten VK 800 - 800 トン (ID: 75791)
| Type | Stamping press |
| Manufacturer | Muller Weingarten |
| Model | VK 800 |
| Controls | PLC Siemens S7 |
| Last revision | 2011 |
| Press Design | |
| Frame design | H-frame |
| Openings in uprights | yes |
| Opening in table | yes |
| Moving bolster | yes |
| Press Table | |
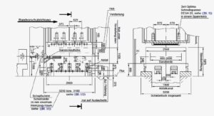
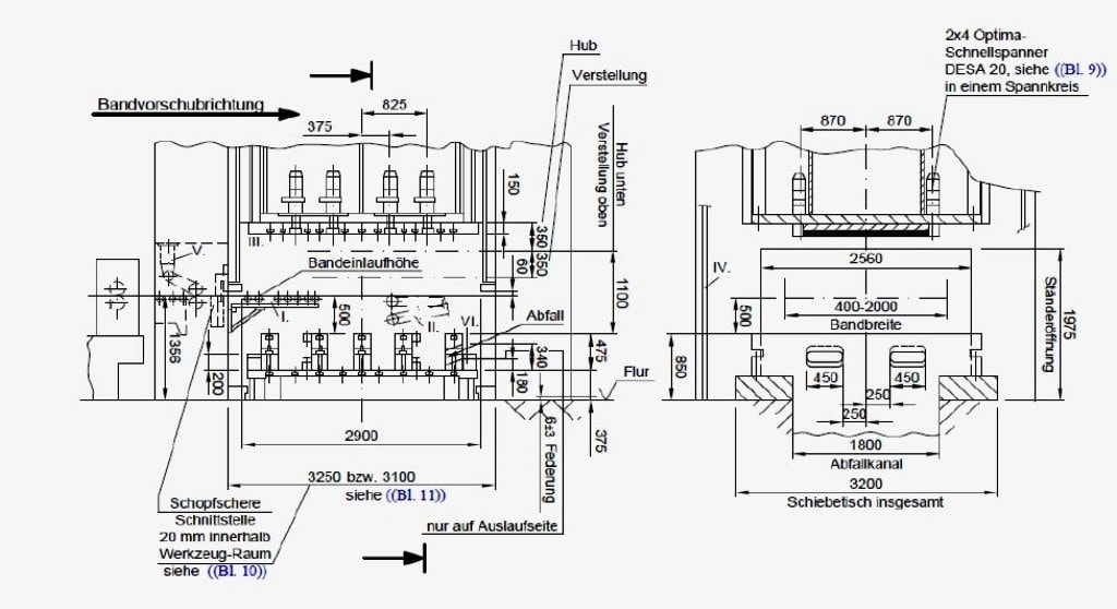
| Clamping surface (left-right) | 2800 mm |
| Clamping surface (front-back) | 2800 mm |
| Height above floor level | 375 mm |
| Ram | |
| Ram force | 800 to |
| Clamping surface (left-right) | 2800 mm |
| Clamping surface (front-back) | 2800 mm |
| Stroke | 350 mm |
| Number of strokes max | 55 /min |
| Ram (mechan. press) | |
| Ram adjustment | 350 mm |
| Tool Assembly Dimensions | |
| Shut height (stroke down, adjustment up) | 1100 mm |
| Distance between columns (H-frame) | 3100 mm |
| Free passage between side columns (width) | 2560 mm |
| Free passage between side columns (height) | 1500 mm |
| Decoiler | |
| Design | single coil |
| Sheet width max | 2000 mm |
| Sheet width (min) | 400 mm |
| Max. weight of coil | 30 to |
| Max. diameter of coil | 2000 mm |
| Min. internal diameter of coil | 610 mm |
| Leveler unit | |
| Sheet width max | 2000 mm |
| Sheet width (min) | 400 mm |
| Sheet thickness max | 1.8 mm |
| Sheet thickness (min) | 0.6 mm |
| Number of leveler rolls | 13 |
| Diameter of leveler rolls | 50 mm |
| Feeders | |
| Feeder | type |
| Sheet width max | 2000 mm |
| Sheet thickness max | 2 mm |
| Feeding step max. | 4000 mm |
| Electrical specifications | |
| Mains power supply | 400 kVA |
| Mains voltage | 50 V |















